立即订购
DN8-20型杜博林 国产双通道液压旋转接头
所属类别:液压油
双通道气体-液压应用旋接器,DN8-20;
双通道设计;
3通道设计的串联型号-自支撑旋接器;
复合轴承;
通道之间有泄漏口;
碳系填充聚四氟乙烯密封-硬化密封面;
铝壳体-钢转子



旋转接头工作数据
最高气压:150 PSI 10 bar
最天真空:2 "Hg 7 kPa
最大液压力:3,050 Psi 210 bar
最高速度(短期):250 RPM
最高温度:120 °C

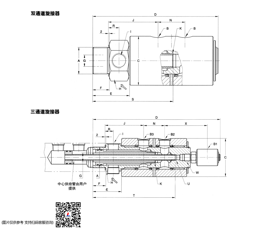
双通道旋接器
|
DN |
B NPT |
订货型号 |
4 转子连接 |
|
2x8 |
2x1/4 |
1690-000-168 |
G1 右旋 |
|
2x1/4 |
1690-000-105* |
G1 右旋 |
|
2x15 |
2x1/2 |
1790-001-114 |
G1 1/4 右旋 |
|
2x1/2 |
1790-001-112* |
G1 1/4 右旋 |
|
2x20 |
2x3/4 |
1890-060 |
G1 1/2 右旋 |
|
2x3/4 |
1890-063* |
G1 1/2 右旋 |
三通道旋接器
|
DN |
B1xB2xB3 NPT |
订货型号 |
4 转子连接 |
|
8/15/20 |
1/4x3/4x3/4 |
1890-064 |
G1 1/2 右旋 |