莱特航天装备有限公司

立即订购
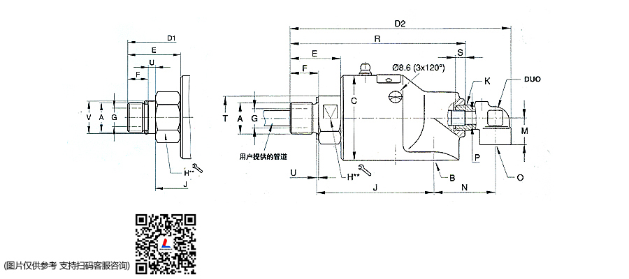
57系列杜博林 国产双通道旋转接头
所属类别:水
57系列碳化硅密封;
水介质应用旋接器 DN10-50(专利产品);
单通道与双通道设计-自支撑旋接器;
径向壳体连接-平衡式机械密封-键式转子密封;
密封更换快速简便(旋转密封浮动密封)-球轴承润滑延长寿命;
可应用于恶劣水质-3个泄漏口;
锻造铜壳体-不锈钢转子–特别可选项:螺纹泄漏口防溅型轴承,镀镍型


|
57系列扭矩值 |
|
DN |
通径 |
Nm |
|
10 |
0.18 |
0.25 |
|
15 |
0.37 |
0.5 |
|
20 |
0.74 |
1 |
|
25 |
1.48 |
2 |
|
32 |
1.62 |
2.2 |
|
40 |
2.14 |
2.9 |
|
50 |
3.32 |
4.5 |
转接头工作数据
最高 水压:10 bar
最高 速度:150 PSI
直螺纹转子:型号 527-257 3,500 RPM 3.500 min-1
357 3,000 RPM 3.000 min:1
527-572 2500 RPM 2.500 min1
657 750 RPM 750 min-1
最高 温度: 90°C >90°C

旋转接头订货型号
|
DN |
B |
O |
57系列标准型 |
双通路 |
A 转子连接 |
|
10 |
3/8 NPT |
1/4 NPT |
57-000-094 |
55-445 |
G3/8 右旋 |
|
3/8 NPT |
1/4 NPT |
57-000-095 |
55-445 |
G3/8 左旋 |
|
G 3/8 |
G 1/4 |
57-130-094 |
55-843 |
G3/8 右旋 |
|
G 3/8 |
G 1/4 |
57-130-095 |
55-843 |
G3/8 左旋 |
|
15 |
1/2 NPT |
3/8 NPT |
157-000-151 |
155-470 |
G1/2 右旋 |
|
1/2 NPT |
3/8 NPT |
157-000-152 |
155-470 |
G1/2 左旋 |
|
G 1/2 |
G 3/8 |
157-130-151 |
150-232 |
G1/2 右旋 |
|
G 1/2 |
G 3/8 |
157-130-152 |
150-232 |
G1/2 左旋 |
|
G 1/2 |
G 3/8 |
157-130-738 |
150-232 |
M20x1,5右旋 |
|
G 1/2 |
G 3/8 |
157-130-835 |
150-232 |
M20x1,5左旋 |
|
20 |
3/4 NPT |
1/2 NPT |
257-000-284 |
250-680 |
G3/4 右旋 |
|
3/4 NPT |
1/2 NPT |
257-000-285 |
250-680 |
G3/4 左旋 |
|
G 3/4 |
G 1/2 |
257-130-284 |
251-551 |
G3/4 右旋 |
|
G 3/4 |
G 1/2 |
257-130-285 |
251-551 |
G3/4 左旋 |
|
G 3/4 |
G 1/2 |
257-130-014 |
251-551 |
M35x1,5右旋 |
|
G 3/4 |
G 1/2 |
257-130-015 |
251-551 |
M35x1,5左旋 |
|
G 3/4 |
G 1/2 |
257-130-048 |
251-551 |
M27x1,5右旋 |
|
G 3/4 |
G 1/2 |
257-130-104 |
251-551 |
M27x1,5左旋 |
|
25 |
1 NPT |
1/2 NPT |
357-000-222 |
350-366 |
G1 右旋 |
|
1 NPT |
1/2 NPT |
357-000-223 |
350-366 |
G1 左旋 |
|
G1 |
G 1/2 |
357-130-222 |
350-990 |
G1 右旋 |
|
G1 |
G 1/2 |
357-130-223 |
350-990 |
G1 左旋 |
|
G1 |
G 1/2 |
357-130-235 |
350-990 |
M35x1.5右旋 |
|
G1 |
G 1/2 |
357-130-236 |
350-990 |
M35x1.5左旋 |
|
32 |
1/4 NPT |
3/4 NPT |
527-000-054 |
525-236 |
G1 1/4右旋 |
|
1/4 NPT |
3/4 NPT |
527-000-055 |
525-236 |
G1 1/4左旋 |
|
G1 1/4 |
G 3/4 |
527-130-054 |
525-931 |
G1 1/4右旋 |
|
G1 1/4 |
G 3/4 |
527-130-055 |
525-931 |
G1 1/4左旋 |
|
40 |
1 1/2 NPT |
3/4 NPT |
557-000-198 |
450-467 |
G1 1/2右旋 |
|
1 1/2 NPT |
3/4 NPT |
557-000-199 |
450-467 |
G1 1/2左旋 |
|
G1 1/2 |
G 3/4 |
557-130-198 |
451-274 |
G1 1/2右旋 |
|
G1 1/2 |
G 3/4 |
557-130-199 |
451-274 |
G1 1/2左旋 |
|
G1 1/2 |
G 3/4 |
557-130-200 |
451-274 |
M50x1,5右旋 |
|
G1 1/2 |
G 3/4 |
557-130-201 |
451-274 |
M50x1,5左旋 |
|
50 |
2 NPT |
1 1/4 NPT |
657-000-124 |
655-966 |
G2 右旋 |
|
2 NPT |
1 1/4 NPT |
657-000-125 |
655-966 |
G2 左旋 |
|
G2 |
G1 1/4 |
657-130-124 |
655-174 |
G2 右旋 |
|
G2 |
G1 1/4 |
657-130-125 |
655-174 |
G2 左旋 |
旋转接头订货型号
|
DN |
B |
O |
57系列标准型 |
双通路 |
A 转子连接 |
|
10 |
3/8 NPT |
1/4 NPT |
57 00-090 |
|
G3/8 右旋 |
|
3/8 NPT |
1/4 NPT |
57 00-095 |
|
G3/8 左旋 |
|
G 3/8 |
G 1/4 |
57-130-094 |
|
G3/8 右旋 |
|
G 3/8 |
G 1/4 |
57-130-095 |
|
G3/8 左旋 |
|
15 |
1/2 NPT |
3/8 NPT |
157-000-151 |
155-797 |
G1/2 右旋 |
|
1/2 NPT |
3/8 NPT |
157-000-152 |
155-797 |
G1/2 左旋 |
|
G 1/2 |
G 3/8 |
157-130-151 |
155-981 |
G1/2 右旋 |
|
G 1/2 |
G 3/8 |
157-130-152 |
155-981 |
G1/2 左旋 |
|
G 1/2 |
G 3/8 |
157-130-738 |
155-981 |
M20x1,5右旋 |
|
G 1/2 |
G 3/8 |
157-130-835 |
155-981 |
M20x1,5左旋 |
|
20 |
3/4 NPT |
1/2 NPT |
257-000-284 |
250-994 |
G3/4 右旋 |
|
3/4 NPT |
1/2 NPT |
257-000-285 |
250-994 |
G3/4 左旋 |
|
G 3/4 |
G 1/2 |
257-130-284 |
251-371 |
G3/4 右旋 |
|
G 3/4 |
G 1/2 |
257-130-285 |
251-371 |
G3/4 左旋 |
|
G 3/4 |
G 1/2 |
257-130-014 |
251-371 |
M35x1,5右旋 |
|
G 3/4 |
G 1/2 |
257-130-015 |
251-371 |
M35x1,5左旋 |
|
G 3/4 |
G 1/2 |
257-130-048 |
251-371 |
M27x1,5右旋 |
|
G 3/4 |
G 1/2 |
257-130-104 |
251-371 |
M27x1,5左旋 |
|
25 |
1 NPT |
1/2 NPT |
357-000-222 |
350-974 |
G1 右旋 |
|
1 NPT |
1/2 NPT |
357-000-223 |
350-974 |
G1 左旋 |
|
G1 |
G 1/2 |
357-130-222 |
351-173 |
G1 右旋 |
|
G1 |
G 1/2 |
357-130-223 |
351-173 |
G1 左旋 |
|
G1 |
G 1/2 |
357-130-235 |
351-173 |
M35x1.5右旋 |
|
G1 |
G 1/2 |
357-130-236 |
351-173 |
M35x1.5左旋 |
|
32 |
1/4 NPT |
3/4 NPT |
527-000-050 |
525-592 |
G1 1/4右旋 |
|
1/4 NPT |
3/4 NPT |
527-000-055 |
525-592 |
G1 1/4左旋 |
|
G1 1/4 |
G 3/4 |
527-130-054 |
525-926 |
G1 1/4右旋 |
|
G1 1/4 |
G 3/4 |
527-130-055 |
525-926 |
G1 1/4左旋 |
|
40 |
1 1/2 NPT |
3/4 NPT |
557-000-198 |
451-162 |
G1 1/2右旋 |
|
1 1/2 NPT |
3/4 NPT |
557-000-199 |
451-162 |
G1 1/2左旋 |
|
G1 1/2 |
G 3/4 |
557-130-198 |
451-175 |
G1 1/2右旋 |
|
G1 1/2 |
G 3/4 |
557-130-199 |
451-175 |
G1 1/2左旋 |
|
G1 1/2 |
G 3/4 |
557-130-200 |
451-175 |
M50x1,5右旋 |
|
G1 1/2 |
G 3/4 |
557-130-201 |
451-175 |
M50x1,5左旋 |
|
50 |
2 NPT |
1 1/4 NPT |
657-000-124 |
655-968 |
G2 右旋 |
|
2 NPT |
1 1/4 NPT |
657-000-125 |
655-968 |
G2 左旋 |
|
G2 |
G1 1/4 |
657-130-124 |
655-707 |
G2 右旋 |
|
G2 |
G1 1/4 |
657-130-125 |
655-707 |
G2 左旋 |
- 4006 890 518
-
-
微信号:13167070009微信二维码
-