


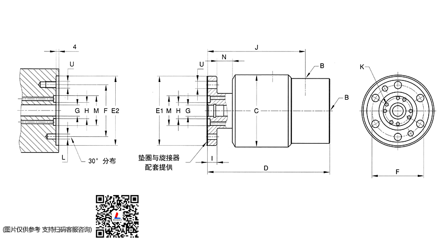
旋转接头工作数据
最高气压(1590);150 PSl 10 bar
最大液压力(1579)
外通道:510 PSl 35 bar
内通道:1,020 PSI 70 bar
最高速度:1,500 RPM
最高温度:120 ℃ >120℃

旋转接头订货型号
| DN | B NPT | 订货型号 | 介质 |
| 2x 15 | 2x 1/2 | 1590-000 STD | 空气 |
| 2x 1/2 | 1579-000 STD | 液压油 | |
| 2x 1/2 | 1579-074 ELS | 液压油 |